还搞不懂 IRF3205场效应管?一定要看这一文,参数+引脚功能,秒懂
还搞不懂 IRF3205场效应管?一定要看这一文,参数+引脚功能,秒懂
我是小七,给大家分享电子元器件选型、电路项目等知识,干货满满。大家不要错过,建议收藏,错过就不一定找得到了,内容仅供参考,图片记得放大观看。
如果有什么错误或者不对,欢迎各位大佬指点。

图片来源于网络
今天是 IRF3205场效应管,主要是以下几个方面:
1、IRF3205什么是管子?2、IRF3205引脚图说明3、IRF3205 CAD模型4、IRF3205 场效应管参数5、IRF3205 用什么管子替代6、IRF3205 工作原理及结构7、IRF3205 场效应管特性曲线8、IRF3205逆变器电路图9、IRF3205 继电器驱动电路10、IRF3205仿真模拟电路图11、IRF3205驱动电路12、IRF3205其他应用
一、IRF3205什么是管子?
IRF3205是一种N沟道功率MOS管,采用 TO-220AB 封装,工作电压为 55V 和 110A。特点是其导通电阻极低,仅为 8.0mΩ,适用于逆变器、电机速度控制器、DC-DC 转换器等开关电路。
IRF3205是一种容易买到,价格较低的MOSFET,具有低导通电阻。但是IRF3205 具有高阈值电压,因此不适用于嵌入式控制器的开/关控制。

IRF3205 引脚图说明
二、IRF3205 引脚图说明
IRF3205 场效应管总有3个引脚,具体的如下所示:

IRF3205 引脚图说明

IRF3205 引脚图说明
三、IRF3205 CAD模型
1、IRF3205电路符号

IRF3205电路符号
2、IRF3205封装尺寸

IRF3205封装尺寸
3、IRF3205 3D模型

IRF3205 3D模型
四、IRF3205 场效应管参数
N 沟道功率 MOSFET 器件漏源击穿电压 ( V BR ( DSS ) ) 为55V栅极到源极电压 ( V gs ) 为+/- 20V栅极的阈值电压(V g (th))为2至 4V漏极电流 ( Id )为110A脉冲漏极电流 ( I DM ) 为390A功耗为 ( P D ) 为200W漏源导通电阻 ( R DS (ON) ) 8mΩ门体漏电流 ( I GSS ) 为100nA总栅极电荷 ( Q g ) 为146nC反向恢复时间 ( trr ) 为69 至 104ns峰值二极管恢复 ( dv/dt ) 为5V/ns上升时间 ( tr ) 为101ns结壳热阻(R th jc)为75℃/W结温(T J)在-55至175℃之间
1、电压规格
IRF3205 MOSFET的电压规格是栅源电压为+/-20V,漏源击穿电压为55v,栅极阈值电压在2到4V之间。
从IRF3205 MOSFET的电压规格可以看到IRF3205是一种常见的功率器件。
2、电流规格
IRF3205 MOSFET 的电流值为漏极电流为 110A,脉冲漏极电流值为 390A,这些电流规格表明 IRF3205 MOSFET 是一种大电流功率器件。
漏源漏电流为25uA,栅源正向漏电流为100nA,该功率器件的漏电流值较小。
3、功耗规格
IRF3205 MOSFET 的功耗为 200W,TO-220 功率 MOSFET 封装使其成为功耗更高的器件。
4、漏源到导通电阻
漏源导通电阻为8mΩ,是MOSFET显示的电阻值。
5、结温
IRF3205 MOSFET 的结温为175℃。
6、反向恢复时间 (trr)
IRF3205 MOSFET 的反向恢复时间为 69 至 104ns,这是开始导通之前放电所需的时间量。
7、总栅极电荷 (Q g )
IRF3205 MOSFET 的总栅极电荷为 146nC,需要向栅极注入以开启 MOSFET 所需的总栅极电荷。
五、IRF3205 用什么管子替代
IRFB3206、IRFB3256、IRFB3307、IRF1405、IRFB3306 和 IRFB3006 等 MOSFET 器件是 IRF3205 的等效器件。
大多数这些 MOSFET 具有几乎相同的电气规格,因此我们可以将它们等效使用。
在下表中,我们列出了每个 MOSFET 的电气规格然后进行对比,例如 IRF3205 与 IRFB1405 与 IRFB4310,比较将帮助我们选择最适合我们的等效产品。

每个 IRF3205、IRFB1405 和 IRFB4310 MOSFET 的电压规格几乎相同。IRFB4310 MOSFET 的电流规格和功耗值高于其他两个 MOSFET 器件,IRFB1405 MOSFET 的导通电阻值较高。
六、IRF3205 工作原理及结构
IRF3205 MOSFET与普通MOSFET不同,IRF3205 MOSFET的栅极层有厚氧化层,可以承受高输入电压,而普通MOSFET的栅极氧化层很薄,不能承受高压,即施加高电压会极大地影响整体性能。设备。
IRF3205 MOSFET 中的栅极、源极和漏极类似于 BJT(双极结型晶体管)中的基极、集电极和发射极。
源极和漏极由n型材料制成,而元件主体和衬底由p型材料制成。在衬底层上添加二氧化硅使该器件具有金属氧化物半导体结构。IRF3205 MOSFET 是一种单极器件,通过电子的运动进行传导。
在器件中插入绝缘层,使栅极端子与整个主体分离。漏极和源极之间的区域称为 N 沟道,它由栅极端子上的电压控制。
与 BJT 相比,MOSFET 保持领先,因为 BJT 不需要输入电流来控制剩余两个端子上的大量电流。

IRF3205 工作原理及结构
七、IRF3205 场效应管特性曲线
1、IRF3205 MOSFET的输出特性
下图显示了 IRF3205 MOSFET 的输出特性,该图是用漏源电流与漏源电压绘制的。
在固定的电压范围内,电压值会相对于电流值增加。电流值增加到一定限度并变得恒定,同时电压将增加到无穷大范围。

IRF3205 MOSFET的输出特性
2、IRF3205 MOSFET的导通电阻特性
下图显示了 IRF3205 MOSFET 的导通电阻特性,该图绘制了漏源导通电阻与结温的关系。
在峰值电流值处,电阻从某个极限开始,温度值向更高的值增加。导通电阻值随着结温的增加而增加,这表明在 MOSFET 的启动阶段电阻较低,然后会向上限增加。

IRF3205 MOSFET的导通电阻特性
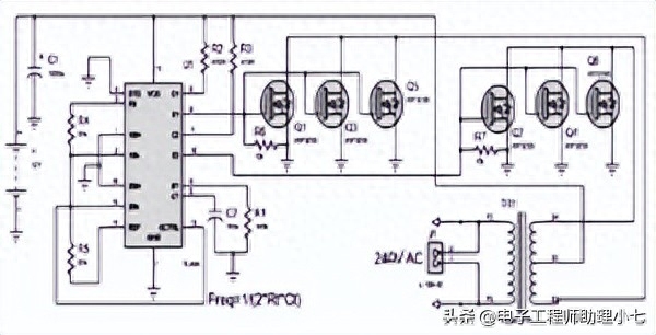
八、IRF3205逆变器电路图
下图为使用IRF3205的逆变电路,该图显示了使用 TL494 PWM 模块的逆变器电路,该模块带有一个由 IRF3205 MOSFET 制成的 h 桥。
1TL494 模块用于产生 PWM 脉冲并转发到 H 桥电路,基于 IRF3205 MOSFET 的 H 桥将 PWM 脉冲转换为交流信号。

IRF3205逆变器电路图
九、IRF3205继电器驱动电路
下图为使用IRF3205 MOSFET的继电器驱动电路,MOSFET接在线圈端地。

IRF3205继电器驱动电路
十、IRF3205仿真模拟-设计H桥
IRF3205 是用于快速开关的 N 沟道 Mosfet,因此被用来设计H桥。
这里设计了这个 Proteus 模拟,将直流电压转换为交流电压,如果仔细观察,在 H 桥中使用了 IRF3205 MOSFET:

IRF3205仿真模拟-设计H桥
同时,将 IRF5210 用于 H-桥 中的 计数器。如果你运行仿真,在示波器上应该会显示交流正弦波,如下图所示:

IRF3205仿真模拟-设计H桥
十一、IR3205 其他应用
高速开关器件电源装置UPS升压转换器太阳能逆变器速度控制器电路电机驱动器电池充电器电路电池管理系统(BMS)
以上就是今天的内容,大家记得关注,给我点赞哦,欢迎大家在评论区留言,请各位大佬多多指教。

图片来源于小红书
-
- 溪山战役,越南战争中最为惨烈的一场战役
-
2025-10-10 21:21:10
-
- 日本9级大地震有多恐怖?2万死者遇难影像曝光,远比灾难片可怕
-
2025-10-10 21:18:56
-
- IGBT好坏的测量方法,这4种方法你必须要会,图文+案例,又快又准
-
2025-10-10 21:16:42
-
- 中国近现代史的时间线
-
2025-10-10 21:14:28
-
- 亮剑的豆瓣分是多少?亮剑值得一看吗?
-
2025-10-10 21:12:13
-
- 战胜蒙古铁骑的奴隶大军
-
2025-10-10 15:26:57
-
- 西班牙统治加泰地区六百年,为何到现在"灭不掉"加泰独立之心?
-
2025-10-10 15:24:43
-
- 那些年,我们一起听的007主题曲
-
2025-10-10 15:22:28
-
- 梦幻西游跑商路线及价格介绍
-
2025-10-10 15:20:14
-
- 历史:广西宾阳最著名的一次剿匪战役
-
2025-10-10 15:17:59
-
- 婆婆和媳妇带娃观念不一样怎么办 婆婆和媳妇带娃怎么相处
-
2025-10-10 15:15:45
-
- 云南十大温泉 云南必泡10大温泉 云南温泉度假村推荐
-
2025-10-10 15:13:31
-
- 云南十大温泉 云南必泡10大温泉 云南温泉度假村推荐
-
2025-10-10 15:11:16
-
- 易中天从红极一时到被下架,到底发生了什么?背后推手是谁?
-
2025-10-10 15:09:02
-
- 西藏墨脱是一个什么样的地方?
-
2025-10-10 15:06:47
-
- 网易CEO丁磊跑去养猪,一头猪拍出27.7万元天价,如今门店还不少
-
2025-10-10 15:04:33
-
- 妻子出轨后,我成了市委书记秘书(017)—书记的第一把火
-
2025-10-10 15:02:19
-
- 访于都中和光皮树开发有限公司董事长陈健民
-
2025-10-10 15:00:04
-
- 布洛芬因致永久伤害紧急召回?还能吃吗?你想知道的都在这里了!
-
2025-10-10 14:57:50
-
- 杀人狂魔:张君覆灭纪实(十七)
-
2025-10-10 14:55:36



没离婚就离家出走后果 妻子多久不回家算是犯法
老公对孩子不管不问怎么办 老公对孩子不上心怎么办