电路识图---点动电路原理及电路中元器的作用
电路识图---点动电路原理及电路中元器的作用
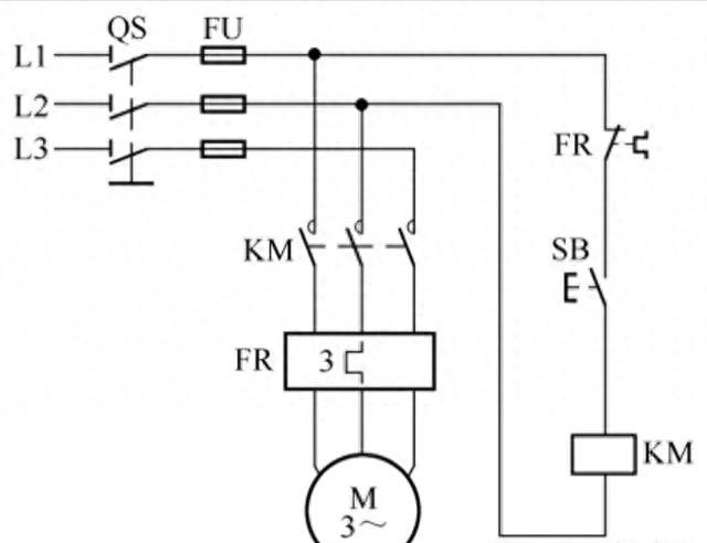
下图电路图为手动控制电路图,也叫点动控制电路图:

要识图,首先得认识图中的符号代表的元器件是什么意思,只有认识了元器件,了解了元器件的功能作用、才能更好的理解电路图的原理,只有懂了电路图原理,才能准确快速的查找故障。下面就请让我一一道来,有说的不到位的地方,请大家多多指教,开始了......
1、认识符号及其功能作用
① L1、L2、L3:表示三相电源;
L1、L2、L3都是火线,其中相与相之间的电压叫线电压,为380V,即是L1L2、L1L3、L2L3之间电压都为380V;
②QS:表示电源开关,也叫隔离开关,可以不频繁的接通和分断低压供电线路;
③FU:表示熔断器,俗名保险;
作用:短路保护或严重过载保护;
④KM:接触器;
作用:主要用来自动接通或断开电路的电器;
⑤FR:热继电器:
作用:是一种过载保护电器,主要用于电动机过载保护;
⑥M:三相交流异步电机;
作用:产生驱动转矩,作为用电器或各种机械的动力源。
⑦SB:按钮;
作用:一种靠外力接通或分断电流的电气元件,不能直接用于控制电气设备,只能用来发出“指令”;
2、电路图中分为主电路和控制电路。
其中:主电路的作用是传递电能;控制电路的作用是控制主电路的运行;
如下图,左侧为主电路,右侧为控制电路:

3、电路工作原理分析如下:
当合上电源空开QS,按下按钮SB,控制电路接触器线圈KM得电,电路走向即是L1→QS→FU→FR→SB→KM→FU→L2;
主电路接触器三相主触头KM闭合,三相异步电动机通入三相电源,电机启动,电路走向即是KM→FR→M;
松开按钮SB,接触器KM线圈失电,三相接触器主触头断开,电机停止运转。
4、用途
点动控制电路简单,维护方便,常用于机床工作台的快速移动,建筑工地的材料定位等。
#热继电器的基础知识#
关于熔断器,不得不知的一些事
-
- 成都双流区:打造共享单车管理示范街
-
2025-10-04 01:23:53
-
- 49岁歌坛天后那英的老公孟桐近照
-
2025-10-04 01:21:38
-
- 2017年度最热门电视剧!你都看过哪几部呢
-
2025-10-03 19:45:55
-
- 2k超清全面屏壁纸——三代小丑与小丑女:我笑,不代表我快乐
-
2025-10-03 19:43:40
-
- 一个女生很聪明的几个表现
-
2025-10-03 19:41:26
-
- 压箱底干货!学会宽容是人生必修课,沉浸式解读,建议收藏并实践
-
2025-10-03 19:39:12
-
- 我国最长寿村庄,人均寿命达90岁,当地不输给巴马长寿村
-
2025-10-03 19:36:58
-
- 我,山东的公办幼儿园老师,告诉你月到手工资多少,为什么想辞职
-
2025-10-03 19:34:43
-
- 为什么很多人不愿意做销售?网友:维护人情世故,随叫随到太累
-
2025-10-03 19:32:29
-
- 身为现代贸易中的一环,航空运输的优势和劣势分别是什么?
-
2025-10-03 19:30:15
-
- 社恐友好职业—殡葬礼仪师:上班时间自由,小白也能月入1w
-
2025-10-03 19:28:01
-
- LOL德玛西亚之力•盖伦出装推荐,让你无敌carry
-
2025-10-03 19:25:46
-
- 6本娱乐圈甜文推荐《咸鱼女配是爽文剧本》《我在综艺里嗑神颜》
-
2025-10-03 19:23:32
-
- 最红外卖美食“瓦香鸡”制作方法,技巧,分享大家,不是厨师就会
-
2025-10-03 19:21:18
-
- 长白山万达滑雪场欧洲风格设计,120万平方米堪称“巨无霸”
-
2025-10-03 19:19:04
-
- 眼前总是一片不可磨灭的记忆
-
2025-10-03 19:16:49
-
- 世界史上十大罪人
-
2025-10-03 19:14:35
-
- 李心艾官宣怀孕
-
2025-10-03 19:12:21
-
- 京圈大佬王朔落魄,前任徐静蕾伸出援手:爱情与生活的微妙交织
-
2025-10-03 19:10:07
-
- 交响诗篇《长城》:一幅穿越千年的音乐画卷
-
2025-10-03 19:07:52



没离婚就离家出走后果 妻子多久不回家算是犯法
老公对孩子不管不问怎么办 老公对孩子不上心怎么办